找回密码
 注册会员

QQ登录

只需一步,快速开始

扫一扫,访问微社区

查看: 9330|回复: 63

比比谁的招更绝?(2)

   火.. [复制链接]
发表于 2009-8-27 14:34:10 | 显示全部楼层 |阅读模式

马上注册,结交更多好友,享用更多功能,让你轻松玩转磨削论坛

您需要 登录 才可以下载或查看,没有账号?注册会员

×
本帖最后由 kingpuwer 于 2009-8-27 18:07 编辑
2 |) N" h8 P" D3 w
* p# B! C6 U) N7 W/ |2 f: ]大家看过来,武林大会又开始了,请高手们一一出招吧!
) w5 ]: S$ W0 w" J嘻嘻,我私底下试了一下剑,水平太臭,没做出来,只好做垫底了!
JZ2.jpg
发表于 2009-8-27 17:59:34 | 显示全部楼层
高手快出手了。有意思
发表于 2009-8-27 18:37:04 | 显示全部楼层
图纸看不清楚.应该简单
发表于 2009-8-27 19:59:20 | 显示全部楼层
来张大图啊
 楼主| 发表于 2009-8-27 20:07:47 | 显示全部楼层
大图来了!
1.jpg
2.jpg
3.jpg
发表于 2009-8-27 21:16:13 | 显示全部楼层
这个不难啊
发表于 2009-8-28 08:01:47 | 显示全部楼层
你要感觉不好做     发给我们来做啊    反正我们离得近啊   / d0 p$ i; M4 I9 q
呵呵
 楼主| 发表于 2009-8-28 11:55:47 | 显示全部楼层
 楼主| 发表于 2009-8-28 11:57:20 | 显示全部楼层
要不你加我MSN:tjgtai@hotmail.com
发表于 2009-8-29 20:49:16 | 显示全部楼层
发过来我把你搞定小菜啊呵呵霸州哦呵呵
发表于 2009-8-29 21:56:32 | 显示全部楼层
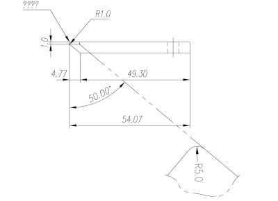
你们看懂图了吗?那个3图的1.0能磨的出吗?怎么让位呢?
发表于 2009-8-30 08:40:00 | 显示全部楼层
呵呵呵小菜啊
发表于 2009-8-30 09:01:54 | 显示全部楼层
要不试试图纸发来试试
 楼主| 发表于 2009-9-1 20:00:29 | 显示全部楼层
你就吹吧,上面的不是图纸吗?你做一件寄过来给我看看?
发表于 2009-9-1 21:27:14 | 显示全部楼层
楼主的图纸怎么看好都对不上啊
发表于 2009-9-1 21:28:01 | 显示全部楼层
最好有个3D啊
您需要登录后才可以回帖 登录 | 注册会员

本版积分规则

中国磨床技术论坛
论 坛 声 明 郑重声明:本论坛属技术交流,非盈利性论坛。本论坛言论纯属发表者个人意见,与“中国磨削技术论坛”立场无关。 涉及政治言论一律删除,请所有会员注意.论坛资源由会员从网上收集整理所得,版权属于原作者. 论坛所有资源是进行学习和科研测试之用,请在下载后24小时删除, 本站出于学习和科研的目的进行交流和讨论,如有侵犯原作者的版权, 请来信告知,我们将立即做出整改,并给予相应的答复,谢谢合作!

中国磨削网

QQ|Archiver|手机版|小黑屋|磨削技术网 ( 苏ICP备12056899号-1 )

GMT+8, 2026-3-13 04:44 , Processed in 0.188019 second(s), 27 queries .

Powered by Discuz! X3.5

© 2001-2025 Discuz! Team.

快速回复 返回顶部 返回列表